性能及技术指标
见下表1。
表1:
| 同步误差: | 0.5 - 1%(高精度型) 1 - 2%(普通精度型) 2 - 3%(低精度型) |
| 流量适应范围: | 3-5 倍 |
| 系列流量: | 3-320 升/分 更大流量可采用多阀并联 |
| 最高使用压力: | 0-32MPa 60MPa(超高压型) |
| 单阀压降: | 0.8-1.2 MPa |
| 允许出口负载偏差: | 30% (流量下限时) 90% (流量上限时) |
| 使用温度: | -20 至 60 摄氏度 |
| 适用介质: | 矿物油 |
| 油过滤精度: | 9-11 级 |
| 连接方式: | 板/管式连接 |
| 连接尺寸: | 见“安装尺寸” |
结构特点(见附图)
该阀设有流量变化感应前置级和负载偏差感应级两部分,分别感知流量和负载变化,因而能大幅度的适应流量(3-5倍)和负载的变化范围,将高压油均分为相等的两部分,具有很高的分流集流精度和很强的适应能力。

规格型号说明
品名/型号 | 通径 (mm) | 工作压力 (MPa) | 压力损失 (MPa) | 偏载压力 (MPa) | 同步误差 %FS | |
ZTBF2 - (3 - 12) | 8 | 31.5 | 1~1.5 | 5~15 | S | 伺服型(注) |
ZTBF2 - (10 - 50) | 15 | 31.5 | 1 | ≤ 0.5~1 | ||
ZTBF2 - (40 - 130) | 25 | 31.5 | 2 | ≤ 1~2 | ||
ZTBF2 - (80 - 320) | 35 | 31.5 | 3 | ≤ 2~3 | ||
注:伺服型可理论上保证无限长行程的误差在1-3毫米范围内。
型号举例说明:ZTBF2 - (10-50) - H - B/G - S/1/2/3
| ZTBF2 | 自调式同步阀第二代 |
| (10-50) | 流量适应范围是10-50升/分钟 |
| H | 压力等级H(32MPa) |
| B/G | 连接方式为板或管式 |
| S/1/2/3 | 误差等级:伺服控制型、0.5-1%FS、1-2%FS、2-3%FS |
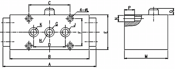
安装尺寸

| 流量 规格 | 尺寸代号 | ||||||
| A | B | C | D | E | F | G | |
| 3-12 | 200 | 172 | 100 | 60 | 80 | 60 | Ф24 |
| 10-50 | 200 | 172 | 100 | 60 | 80 | 60 | Ф24 |
| 40-130 | 238 | 190 | 130 | 60 | 110 | 86 | Ф28 |
| 80-320 | 436 | 360 | 200 | 150 | 156 | 115 | Ф65 |
| H | J | K | L | M | N | O | P |
| Ф15 | 2-Ф20 | 2-Ф12 | 4-Ф12 | 96 | 4-Ф17 | 20 | 21 |
| Ф15 | 2-Ф20 | 2-Ф12 | 4-Ф12 | 96 | 4-Ф17 | 20 | 21 |
| Ф20 | 2-Ф30 | 2-Ф20 | 4-Ф14 | 137 | 4-Ф20 | 32 | 28 |
| Ф50 | 2-Ф45 | 2-Ф30 | 4-Ф20 | 200 | 4-Ф29 | 40 | 45 |
此尺寸供安装参考,最终尺寸以到货为准,分流时H为进油口,K为出油口
淘宝购买:亿美博科技同步阀
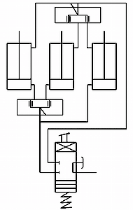
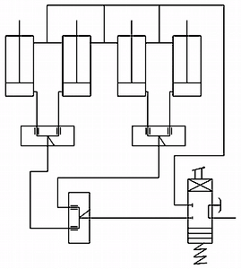
应用举例
![]() | ![]() | ![]() |
| 大流量双阀并联两缸同步 | 三缸同步 | 四缸同步 |
注:单级同步误差公式:E = ( L1 - L2 ) / ( L1 + L2 ),L为单缸行程
多级同步误差应累加,即E =E1 + E2,如两级同步误差为1 - 3%
使用流量必须在阀规定流量范围内,否则会出现较大偏差或损坏同步阀,但流量越趋于上限,同步精度越高。
淘宝购买:亿美博科技同步阀